挖掘機(jī)漲緊裝置
| 項(xiàng)目 | A | B | C | D | E | F | G | H | K | L | M | 安裝載荷 | 適配機(jī)型 | ||
|---|---|---|---|---|---|---|---|---|---|---|---|---|---|---|---|
| 代號(hào) | |||||||||||||||
| 8101-GH-A5000 | 25 | 192 | 92 | 44 | 26 | 78 | 28300N | YC35、FR39 | |||||||
| 8101-GH-B5000 | 25 | 192 | 92 | 44 | 26 | 78 | 28300N | ||||||||
| 8135-MD-A5000 | 44 | 267 | 344.5 | 131 | 68 | 50 | 120 | 43.2KN | |||||||
| 8135-MD-B5000 | 44 | 267 | 360.5 | 131 | 68 | 40 | 160 | 4320KG | |||||||
| 8135-MD-D5000 | 35 | 267 | 372 | 131 | 68 | 40 | 120 | 4000KG | |||||||
| 8135-MD-E5000 | 45 | 323 | 464.8 | 148 | 108 | 50 | 150 | 47.4KN | |||||||
| 8140-GB-B5000 | 30 | 349 | 424 | 134 | 45 | 45 | 120 | 140 | 2-M12 | 6348KG | |||||
| 8140-GB-B5000A | 30 | 349 | 424 | 134 | 45 | 45 | 120 | 140 | 2-M12 | 6348KG | |||||
| 8140-GB-D5000 | 30 | 349 | 134 | 100 | 50 | 140 | 5348KG | ||||||||
| 8140-GB-D5000A | 30 | 349 | 134 | 100 | 50 | 140 | 5348KG | ||||||||
| 8140-GB-E5000 | 30 | 349 | 424 | 134 | 45 | 45 | 110 | 140 | 2-M12 | 6348KG | |||||
| 8140-GB-E5000A | 30 | 349 | 424 | 134 | 45 | 45 | 110 | 140 | 2-M12 | ||||||
| 8140-GB-F5000 | 30 | 349 | 424 | 134 | 45 | 45 | 120 | 140 | 2-M12 | 6348KG | |||||
| 8140-GB-G5000 | 60 | 349 | 578 | 134 | 90 | 50 | 140 | 5348KG | |||||||
| 8154-MC-C5000 | 60 | 42.5 | 45 | 323 | 463 | 148 | 89 | 50 | 200 | 240 | 4-M14 | 5348KG | PC60 | ||
| 8154-MC-A5000 | 45 | 267 | 441.5 | 136 | 60 | 135 | |||||||||
| 8190-MK-A5000 | 65 | 538 | 683 | 201 | 90 | 70 | 200 | ||||||||
| 8190-MK-B5000 | 65 | 538 | 683 | 201 | 90 | 70 | 200 | ||||||||
| 項(xiàng)目 | A | B | C | D | E | F | G | H | L | M | N | P | Q | S | 安裝載荷 | |
|---|---|---|---|---|---|---|---|---|---|---|---|---|---|---|---|---|
| 代號(hào) | ||||||||||||||||
| 8101-GK-A5000 | 170 | 161 | 90 | 287 | 236 | 209 | 78 | 90 | 4-Φ12 | M24 | 136 | 60 | 93 | 2214KG | ||
| 8135-GB-A5000 | 225 | 206 | 100 | 386 | 329 | 295 | 100 | 35 | 107 | 4-Φ14 | M24 | 179 | 50 | 79 | 3600KG | |
| 8135-GB-B5000 | 225 | 206 | 100 | 386 | 329 | 295 | 100 | 35 | 107 | 4-Φ14 | M24 | 179 | 50 | 79 | 3600KG | |
| 8135-GB-C5000 | 225 | 206 | 102 | 386 | 329 | 295 | 100 | 35 | 107 | 4-Φ14 | M24 | 179 | 50 | 79 | 3600KG | |
| 8135-GB-D5000 | 225 | 206 | 102 | 386 | 329 | 295 | 100 | 35 | 107 | 4-Φ14 | M24 | 179 | 50 | 79 | 3600KG | |
| 8135-GB-E5000 | 225 | 206 | 100 | 386 | 329 | 295 | 100 | 35 | 107 | 4-Φ14 | M24 | 179 | 50 | 79 | 3600KG | |
| 8140-GB-A5000 | 273.5 | 140 | 102 | 337 | 337 | 238 | 126 | 35 | 125 | 2-Φ17 | 120 | 5326.7KG | ||||
| 8140-GB-A5000A | 273.5 | 140 | 102 | 337 | 337 | 238 | 126 | 35 | 125 | 2-Φ17 | 120 | 5326.7KG | ||||
| 8140-GB-C5000 | 205 | 138 | 103 | 339 | 309 | 254 | 154 | 40 | 237 | 2-M12 | M36 | 120 | 110 | 6500KG | ||
| 8154-MK-A5000 | 330 | 85 | 350 | 316.5 | 252.5 | 138 | 240 | M30 | 5090KG | |||||||
| 8154-ML-A5000 | 217 | 206 | 123 | 442 | 394 | 356 | 210 | 120 | 4-Φ14 | M33 | 178 | 60 | 88 | 6316KG | ||
| 8260-MC-A5000 | 475 | 190 | 210 | 1495 | 1453 | 1097 | 308 | 68 | 410 | 4-M24 | 400 | 90 | 140 | 58780KG | ||
| 8260-MC-A5000A | 475 | 190 | 210 | 1495 | 1453 | 1097 | 308 | 100 | 410 | 4-M24 | 400 | 90 | 140 | 58780KG | ||
| 8260-MC-B5000 | 475 | 190 | 210 | 1495 | 1453 | 1097 | 308 | 68 | 410 | 4-M24 | 400 | 90 | 140 | 58780KG | ||
| 項(xiàng)目 | A | B | C | D | E | F | G | H | K | L | M | 預(yù)緊力 | 適配機(jī)型 | ||
|---|---|---|---|---|---|---|---|---|---|---|---|---|---|---|---|
| 代號(hào) | |||||||||||||||
| 8160-GA-A5000 | 50 | 285 | 658.5 | 171 | 260 | 120 | 140 | 4-Φ17 | 7050KG | 鑿巖機(jī) | |||||
| 8171-GF-A5000 | 55 | 405 | 798 | 190 | 65 | 210 | 190 | 2-Φ17 | 8497KG | YC135、XCG140 | |||||
| 8171-GF-A5000A | 55 | 405 | 798 | 178 | 65 | 210 | 190 | 2-Φ17 | 7500KG | ||||||
| 8171-GF-B5000 | 55 | 376 | 767 | 212 | 120 | 210 | 212 | 2-Φ17 | 89134N | ||||||
| 8171-MN-A5000 | 46 | 384 | 620 | 182 | 35 | 230 | 182 | 4-Φ27 | 7500KG | ||||||
| 8175-MG-A5000 | 80 | 48 | 55 | 390 | 574 | 178 | 110 | 227 | PC120、PC130 | ||||||
| 8175-MG-C5000 | 80 | 48 | 55 | 390 | 574.5 | 181 | 110 | 227 | CLG915 | ||||||
| 8190-MH-A5000 | 80 | 35 | 75 | 437 | 760 | 237 | 120 | 280 | PC200 | ||||||
| 8190-MH-C5000 | 80 | 35 | 75 | 466 | 760 | 237 | 120 | 280 | PC220 | ||||||
| 8190-MH-D5000 | 80 | 35 | 75 | 466 | 760 | 237 | 120 | 280 | 240 | 17648KG | PC250 | ||||
| 8203-MP-B5000 | 80 | 655 | 1168 | 262 | 120 | 360 | 255 | 4-Φ22 | 21280KG | XCG330 | |||||
| 8203-MP-D5000 | 80 | 655 | 1168 | 262 | 120 | 360 | 255 | 4-Φ22 | 21280KG0 | ||||||
| 8216-ME-A5000 | 80 | 707 | 1373 | 270 | 180 | 410 | 260 | 4-Φ26 | XCG450 | ||||||
| 8216-ME-A5000A | 80 | 707 | 1373 | 270 | 180 | 410 | 260 | 4-Φ26 | |||||||
| 8228-MD-A5000 | 80 | 715 | 1450 | 299 | 200 | 400 | 288 | 4-Φ26 | 37000KG | ||||||
| 8228-MD-B5000 | 86 | 775 | 1600 | 335 | 110 | 400 | 330 | 46678.8KG | |||||||
| 8228-MD-C5000 | 70 | 780 | 1495 | 308 | 200 | 400 | 308 | 46500KG | |||||||
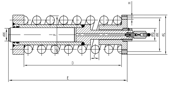
挖掘機(jī)漲緊裝置圖紙


挖掘機(jī)漲緊裝置圖片

咨詢(xún):挖掘機(jī)漲緊裝置